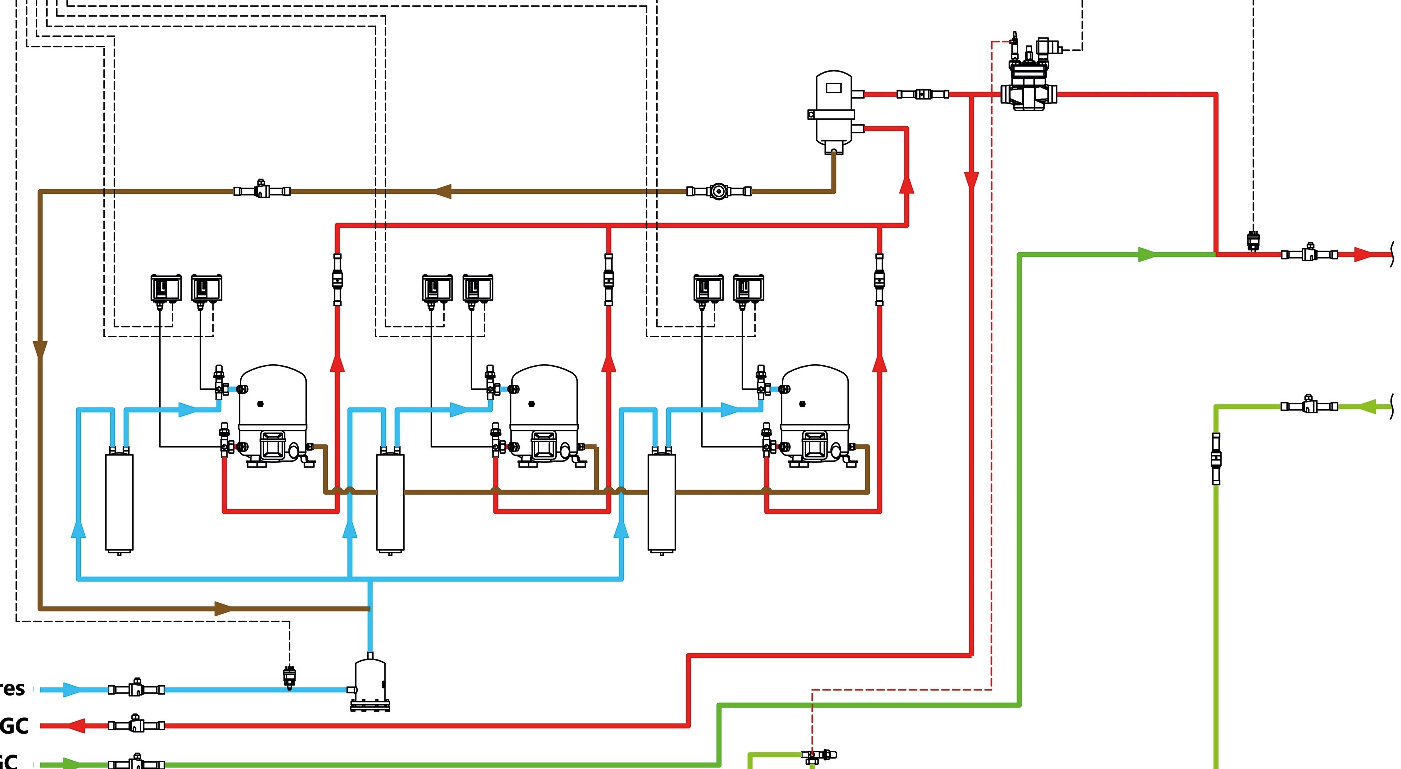
Ofrecemos instalación de un sistema de desescarche por gas caliente.
Ventajas:
- No hay costes de suministro de energía para los calentadores eléctricos.
- Sin costes por calentadores eléctricos quemados que haya que sustituir.
- Cambio mínimo de temperatura en el volumen refrigerado durante el proceso de descongelación (tiempo de descongelación del evaporador no superior a 5 minutos).
- Reducción del desgaste del compresor (menor carga del compresor tras el proceso de desescarche porque la temperatura en el volumen refrigerado prácticamente no aumenta tras el desescarche del evaporador).
- En el proceso de descongelación prácticamente no hay empañamiento (el empañamiento de los cristales de las vitrinas y la formación de hielo en la cámara frigorífica es muchas veces menor en comparación con la descongelación tradicional).
Comparada con otras, nuestra solución
No provoca el sobrecalentamiento del compresor,
No provoca la entrada de refrigerante líquido en el compresor,
No aumenta el desgaste del compresor y otras partes del sistema de refrigeración.
Esto se consigue optimizando los ajustes necesarios del sistema de automatización y control.
Puede instalarse en sistemas de refrigeración nuevos y existentes.





